• Home
  • About
  • Products
    • For Furnishing Work
    • For Concrete Work
  • Contact

For Concrete Work

งานคอนกรีต

For Concrete Work

MIZOMEJI (GROOVE)
ร่องพลาสติก
PUNCHED - MEJI
ร่องพลาสติก (แบบมีปีก)
JOINT - BAR
เส้นแบ่งแนว
CORNER JOUG
เซี้ยมพลาสติก
CORNER JOUG
เซี้ยมพลาสติก (ขาเดียว)
IRISUMI
เซี้ยมพลาสติก (สำหรับฉากใน)
SHITABA JOUGI
คิ้วทำระดับผนัง
MENGI
บัวสามเหลี่ยมลบมุม
R-MENGI
บัวลบมุม (แบบโค้ง)
KATAWAKU-MEJIBOU
ไม้แบบพลาสติกคางหมู

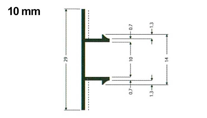
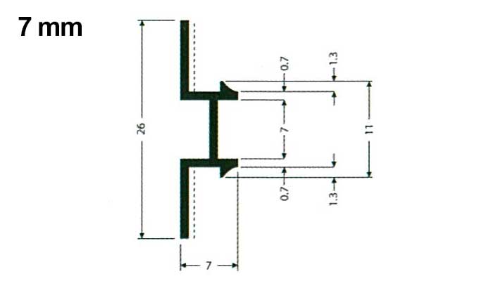
PUNCHED - MEJI ร่องพลาสติก (แบบมีปีก)

LENGTH 2.0 M
COLOR White
PACKING 200 PCS
LENGTH 2.0 M
COLOR White
PACKING 200 PCS

Detail Plan

  • About Us
  • Contact us

Copyright 2017. M.S.C. CO., LTD. All Rights Reserved.